
注:1.水平放置時下方應設置具有足夠長度的拖板。
2.水平放置時允許選用招出表中規定的長度,但建議在適當的位置上設計滾動支承點,以防軟管下彎。
結構與用途
矩形金屬軟管采用全金屬結構。該產品符合JB/GQ058285 企業聯合標準。適應于各類金屬切屑機床及切割機床。防止高熱鐵屑對您供電、水、汽線路的損傷。保護勞動安全。
選形
1.注明規格與型號如下所示:
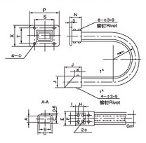
A×B×L -裝配形式:L-軟管長度,包括聯接器裝配。形式見軟管裝配形式圖:I~IX
2 特殊接頭形式:a-c ;
例:25×50×1200-I 、25×50×1200 -AB III
接頭尺寸及規格參數表:
接頭尺寸及規格參數表


