
性能及用途:
JY系列熒光燈具有防水、防蝕、防爆功能。燈管、鎮流器選用通用型部件維修方便。廣泛適用于數控機床,組合機床、加工中心及商品展覽等照明光線分布均勻。照明效果好。
技術數據:
|
型號 |
輸入電壓 |
功率 |
長度 |
鎮流器安裝方式 |
|
|
a |
b |
||||
|
JY37-1 |
220V/50Hz |
11W |
410 |
450 |
VVG 電感內置/電子內置 |
|
JY37-2 |
220V/50Hz |
18W |
485 |
525 |
VVG 電感內置/電子內置 |
|
JY37-3 |
220V/50Hz |
36W |
680 |
720 |
VVG 電感內置/電子內置 |
|
JY37E-1A |
AC/DC 24V |
11W |
410 |
450 |
EVG電子內置 |
|
JY37E-2A |
AC/DC 24V |
18W |
485 |
525 |
EVG電子內置 |
|
JY37E-3A |
AC/DC 24V |
36W |
680 |
720 |
EVG電子內置 |

技術數據:
|
名稱 |
型號 |
輸入電壓 |
功率 |
|
熒光燈管 |
PL-L840 |
220V |
11W |
|
PL-L840 |
220V |
18W |
|
|
PL-L860 |
220V |
36W |
|
|
電感鎮流器 |
BTA11 |
220V/50Hz |
11W |
|
BTA18 |
220V/50Hz |
18W |
|
|
BTA36 |
220V/50Hz |
18W/36W |
|
|
電子鎮流器 |
DIL11W/24V |
20~26V |
11W |
|
DIL18W/24V |
20~26V |
18W |
|
|
DIL36W/24V |
20~26V |
36W |

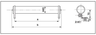
JY系列防水熒光工作燈

![]() |
用途: 適用數控機床、加工中心、產品檢驗、維修作業、商品陳列等場所、滿足潮濕酸堿、粉塵環境下安全照明。 性能: ◇燈具防水、防塵、耐潮濕、耐腐蝕。 ◇燈具安裝電子式鎮流器消除熒光頻閃現象。提高機床操作的安全性。 |
技術數據
|
型號 |
輸入電壓 |
功率 |
長度 |
鎮流器安裝方式 |
|
|
a |
b |
||||
|
JY30F-1 |
220V/50Hz |
13W |
450 |
460 |
VVG電感內置 |
|
JY30F-2 |
220V/50Hz |
20W |
950 |
960 |
VVG電感內置 |
|
JY30F-3 |
220V/50Hz |
30W |
1250 |
1260 |
VVG 電感內置 |
|
JY30F-1A |
AC/DC 24V |
13W |
450 |
460 |
EVG 電子內置 |
|
JY30F-2A |
AC/DC 24V |
20W |
950 |
960 |
EVG 電子內置 |
|
JY30F-3A |
AC/DC 24V |
30W |
1250 |
1260 |
EVG電子內置 |

技術數據
|
型號 |
輸入電壓 |
功率 |
長度 |
鎮流器安裝方式 |
|
|
a |
b |
||||
|
JY30-1 |
AC 220 |
20W |
900 |
960 |
VVG電感內置 |
|
JY30-1 |
AC 220 |
20W |
900 |
960 |
VVG電感內置 |
JY系列防水熒光工作燈

![]() |
用途: 適用數控機床、加工中心、產品檢驗、維修作業、商品陳列等場所、滿足潮濕酸堿、粉塵環境下安全照明。 性能: ◇燈具防水、防塵、耐潮濕、耐腐蝕。 ◇燈具安裝電子式鎮流器消除熒光頻閃現象。提高機床操作的安全性 |
![]() |
![]() |
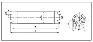
技術數據
|
型號 |
輸入電壓 |
功率 |
長度 |
鎮流器安裝方 |
|
|
a |
b |
||||
|
JY40-1 |
220V/50Hz |
28W |
680 |
720 |
EVG電子內置 |
|
JY40-2 |
220V/50Hz |
40W |
980 |
1020 |
EVG電子內置 |
|
JY61-1 |
220V/50Hz |
13W |
220 |
230 |
VVG 電感內置 |
|
JY61-2 |
220V/50Hz |
18W |
240 |
250 |
VVG 電感內置 |
|
JY61-3 |
220V/50Hz |
26W |
260 |
270 |
VVG 電感內置 |
|
JY61-1A |
24V |
13W |
220 |
230 |
EVG電子內置 |
|
JY61-2A |
24V |
18W |
240 |
250 |
EVG電子內置 |
|
JY61-3A |
24V |
26W |
260 |
270 |
EVG電子內置 |




